전자 공학이나 IoT 개발과 같은 프로젝트에서 회로도는 설계 개념과 실제 구현 사이의 간극을 메워줍니다. 하지만 기존 다이어그래밍 소프트웨어는 높은 학습 곡선과 현지화의 한계로 인해 초보자들이 어려움을 겪는 경우가 많습니다. 전문 온라인 다이어그래밍 플랫폼인 ProcessOn은 500개 이상의 전문 회로 기호 라이브러리, 간편한 편집기 인터페이스, 그리고 매끄러운 작동 방식을 자랑하며, 회로도 작성에 필요한 학습 곡선을 크게 줄여줍니다. 이 글에서는 실제 사례를 통해 ProcessOn을 사용하여 국제 표준을 충족하는 회로도를 빠르게 작성하는 방법을 알려드립니다.
Ⅰ. 회로도를 그리는 데 ProcessOn을 선택하는 이유는 무엇입니까?
1. 완벽한 클라우드 협업, 디바이스 장벽 허물기
소프트웨어 설치 없이 브라우저에서 드로잉 앱을 열기만 하면 됩니다. 팀원들은 실시간으로 동시에 편집할 수 있으며, 변경 사항은 클라우드에 자동으로 저장되고 이전 버전 롤백 기능도 지원됩니다. 이를 통해 팀 간 소통 및 협업 비용을 절감하고 회로 설계 주기를 단축할 수 있습니다.
2. 포괄적인 스마트 심볼 라이브러리
이 플랫폼은 스위칭 릴레이, 반도체 소자, 집적 회로 등 20가지 주요 회로 기호를 내장하고 있으며, 자연어 설명(예: "트랜지스터"를 입력하면 기호가 자동으로 일치)을 통해 구성 요소를 빠르게 호출할 수 있도록 지원합니다.

3. 원활한 크로스 포맷 호환성
Visio 도구에서 생성된 .vsdx 파일을 가져오고 PNG/PDF/SVG와 같은 형식으로 내보내는 기능을 지원합니다.
Ⅱ. 회로도 제작 튜토리얼
1. 프로젝트를 생성하고 템플릿을 선택하세요
ProcessOn에 로그인한 후 개인 파일 페이지로 이동하여 "새 파일"을 클릭하고 "회로도"를 선택하세요. 그런 다음 "추가 그래픽"에서 회로도를 그래픽 라이브러리에 추가하세요.
2. 전자 부품 기호 추가
(1) 왼쪽 아이콘 라이브러리에서 "전자 부품" 카테고리를 찾아 저항기, 커패시터, 인덕터, 다이오드, 트랜지스터, 집적 회로 등 필요한 전자 부품 기호를 선택하세요.
(2) 선택된 전자부품 심볼을 도면 영역으로 끌어와 적절한 위치에 배치합니다.
(3) 전자부품 심볼을 더블클릭하여 부품명, 파라미터 등을 변경하는 등 편집이 가능합니다.
(4) 시스템에서 제공하는 회로도 심볼이 사용자의 요구 사항을 충족하지 못하는 경우 편집기 왼쪽에 있는 "내 구성 요소"를 클릭하여 새 카테고리를 만든 다음 더 보기에서 가져오기를 클릭하여 png, svg, vssx 등의 형식으로 심볼을 가져올 수 있습니다.
3. 전자 부품 연결
(1) 왼쪽 툴바에서 "연결선" 도구를 선택하고, 도면 영역에서 전자부품의 연결점을 클릭한 후, 마우스를 다른 전자부품의 연결점까지 드래그하여 연결선을 생성합니다.
(2) 연결선은 직선, 곡선 또는 점선으로 구성되며 필요에 따라 조정할 수 있습니다. 연결선의 모양과 길이는 끝점이나 중간점을 드래그하여 변경할 수 있습니다.
(3) 연결선을 더블클릭하여 선 색상, 굵기, 스타일 등을 변경하는 등 편집이 가능합니다.
4. 전원과 접지를 추가합니다.
(1) 왼쪽 아이콘 라이브러리에서 "전원 및 접지" 카테고리를 찾아 배터리, DC 전원 공급 장치, 접지 기호 등 적절한 전원 및 접지 기호를 선택합니다.
(2) 전원 및 접지 기호를 도면 영역으로 끌어서 적절한 위치에 배치합니다.
(3) 회로 무결성을 보장하기 위해 전원 및 접지 기호를 다른 전자 부품에 연결합니다.

5. 콜아웃과 주석 추가
(1) 캔버스를 더블클릭하여 텍스트 상자를 추가합니다.
(2) 텍스트 상자에 전자 부품 매개변수, 회로 기능 설명 등의 주석이나 메모를 입력합니다.
(3) 텍스트 상자의 테두리를 드래그하여 크기와 위치를 조정하거나, 더블클릭하여 글꼴, 색상, 크기 등을 변경하는 등 텍스트 상자를 편집할 수 있습니다.

6 . 회로도를 아름답게 꾸미다
(1) 전자부품 기호, 연결선, 텍스트 상자의 색상, 글꼴, 크기 등의 스타일을 조절하여 회로도를 더욱 아름답고 읽기 쉽게 만듭니다.
(2) 배경색, 테두리 등의 장식 요소를 추가하여 회로도의 시각적 효과를 높입니다.
(3) 정렬, 분포 등의 도구를 사용하여 전자부품의 위치와 간격을 조절하여 회로도 레이아웃을 더욱 합리적으로 만듭니다.
7 . 회로도 확인 및 최적화
(1) 회로도의 구성 요소 기호, 연결 상태, 그리고 명확한 표시와 주석을 주의 깊게 확인하십시오.
(2) 회로도를 최적화하고, 불필요한 요소를 제거하고, 구조를 단순화하십시오. 중복되는 구성 요소를 병합하고 연결 배선 경로를 최적화하여 회로도의 가독성을 향상시키십시오.
(3) 회로 시뮬레이션이나 실제 테스트를 수행하여 회로도의 정확성과 성능을 검증하십시오. 문제가 발견되면 적시에 조정 및 수정하십시오.

8. 공유 및 협업
완성된 도면은 이미지나 PDF 파일로 내보내 회사 문서에 삽입하여 팀원들과 공유할 수 있습니다. 또한, 회로도를 동료나 고객에게 직접 공유하여 온라인에서 열람하거나 편집할 수 있도록 할 수도 있습니다.

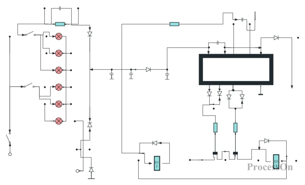
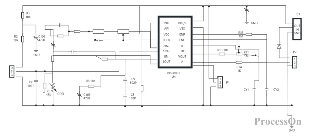
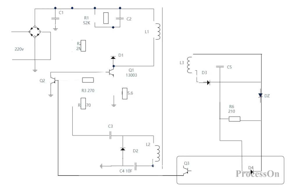
Ⅲ. 회로도 템플릿
ProcessOn 템플릿 커뮤니티에는 참고할 수 있는 다양한 회로도 템플릿이 있으며, 복사하여 재사용하여 도면 작업 효율을 높일 수 있습니다. 아래는 공유된 몇 가지 템플릿입니다.




위는 ProcessOn을 사용하여 온라인으로 회로도를 만드는 튜토리얼입니다. 체계적인 제작 아이디어와 표준화된 프로세스를 통해 비전문 회로 설계자도 업계 표준을 충족하는 회로도를 빠르게 제작할 수 있습니다. ProcessOn의 회로도 제작 도구는 회로 설계의 진입 장벽을 더욱 낮춰 팀이 반복적인 작업 대신 혁신에 집중할 수 있도록 지원합니다.